021-66930127
services@ushinedev.com
首页
冷轧与商品钢卷
冷轧与商品钢卷
定制冷轧带钢
常见等级
更多等级
不锈钢
商品卷的期货订购
商品原卷的售卖
产品中心
工艺与生产
工艺与生产
极佳的生产
工艺的多样性
可供应的精度
多面的检测
用心的交付
新闻与资讯
新闻与资讯
行业新闻
认识与应用
经营动态
行业参考标准
关于我们
关于我们
有象的愿景
有象的发展
合作的伙伴
人力资源
社会招聘
校园招聘
联系我们
获取报价
联系我们
首页
>
新闻与资讯
>
行业参考标准
时间:2026-01-22
浏览:185次
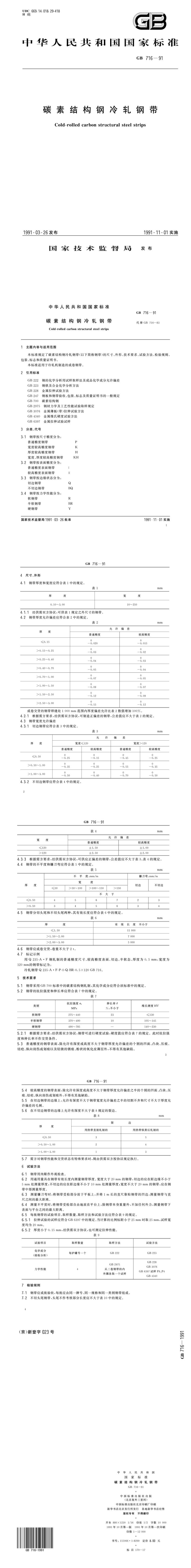
GB/T 716-1991 碳素结构冷轧钢带
联系与支持
康女士
+86 155 0217 5701
kmeng@ushinedev.com
相关阅读
行业新闻
工艺的多样性
可供应的精度
商品原卷的售卖
获取报价